
青鸟消防JBF5131A输入模块用于接收无源触点信号的模块。可接收被监视设备动作后提供的常开无源触点信号或常闭无源触点信号,通过输入动作指示灯常亮来示意用户。设备动作时将反馈信号传送到消防联动控制器。
JBF5131A输入模块接线端子图:

L1(端子4)、L2(端子5):接通回路总线,无极性。
AS+(端子9)、AS-(端子10):接应答(无源触点),须并联10KΩ终端电阻。
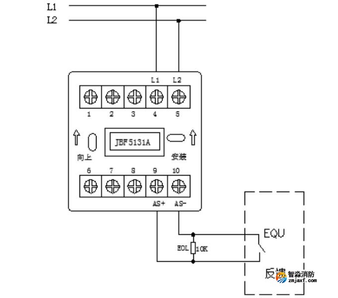
JBF5131A输入模块无源常开信号接线图:

AS+(端子9)、AS-(端子10):接应答(无源触点),连接在AS+和AS-上的监视设备的动合端必须并联10KΩ终端电阻。接线示意图如上图。
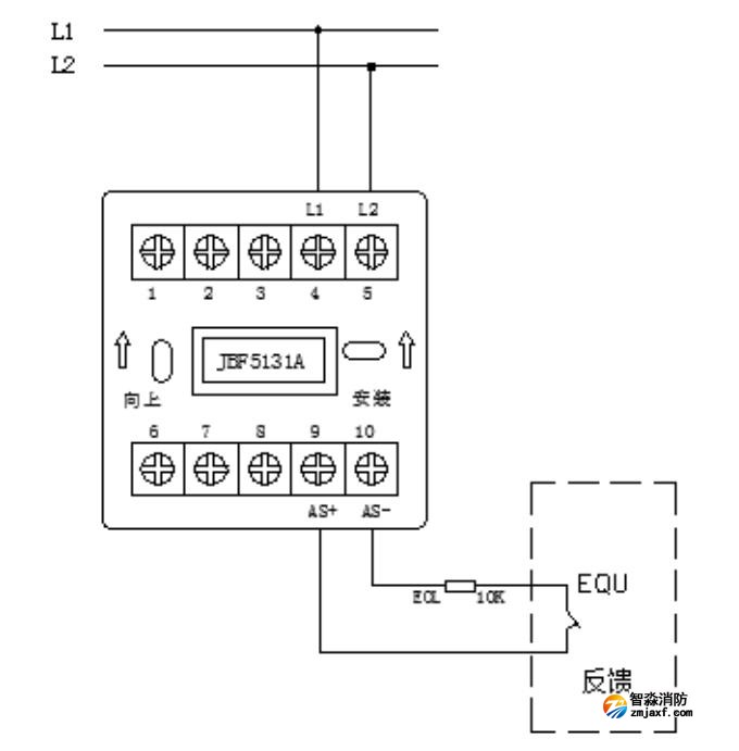
JBF5131A输入模块无源常闭信号接线图:

AS+(端子9)、AS-(端子10):接应答(无源触点),连接在AS+和AS-上的监视设备的动开端必须串联10KΩ终端电阻。接线示意图如上图。
江苏苏州突尼斯vs阿联酋波胆分析安装工程公司主营:北京消防施工安装,2022世界杯小组赛程表时间设计,消防维修改造,消防设备检测,消防验收代办,消防维修保养,探测器清洗,消防检测设备,智慧消防物联网,消防设备销售安装及调试为一体的正规化消防企业。消防改造网址://m.furanoplace.com/;服务热线:4006-598-119








苏公网安备32058102002151号